Introduction
An operational amplifier is an ideal basis for an analog integrator circuit. The input current is nearly zero, and the output voltage represents the precise time integral of the input signal.
Although a simple integrator can be made using only resistors and capacitors, using an op amp yields more accurate integration and improved performance.
Principle and Waveforms
Unlike typical op amp circuits that use resistive feedback, the feedback element for an integrator is a capacitor placed between the op amp output and the inverting input. As the name implies, an op amp integrator performs the electronic equivalent of mathematical integration. In operation, the circuit produces an output proportional to the time integral of the input voltage. The output at any time depends on the initial output voltage, the duration the input voltage is applied, and the input voltage amplitude.

When the input is zero, the output remains constant. When a step input is applied, the output ramps. When the step returns to zero, the output remains at the last reached voltage.
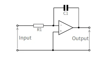
Basic Op Amp Integrator Circuit
The basic op amp integrator consists of an op amp with a capacitor in the feedback path between the output and the inverting input, and a resistor from the input to the inverting input.

Note that when the input is applied to the inverting input, the circuit output is the inverted output of a simple RC integrator network.

Note: the output is inverted because the input is applied to the op amp inverting input.
Design Calculations
The main calculation is to determine the output voltage for a given input voltage applied over a specific time interval.

Where:
- Vout = output voltage of the op amp integrator
- Vin = input voltage
- T = time since the voltage was applied, in seconds
- R = resistance in the integrator network, in ohms
- C = capacitance of the integrator capacitor, in farads
- c = integration constant, in this case the initial output voltage
The negative sign in the formula reflects the inversion caused by applying the input to the op amp inverting input.
Saturation and Output Limits
The integrator output cannot increase indefinitely. The output is limited by the supply rails and by the op amp's output swing, i.e., how close the output can approach the supply rails. When designing, limit the gain or increase the supply rails as required to accommodate the expected output swing. Be cautious when input voltages may be applied for long durations, even if small amplitudes are acceptable for short times.

Reset Function
Some applications require a way to reset the integrator output to zero. A reset can be implemented by placing a switch across the integrator capacitor to discharge it, restoring the integrator to its initial state.

The reset switch can be mechanical or a semiconductor switch. FET-based switches are commonly used because of their high off resistance and ease of control in these applications.
Summary
An op amp integrator can precisely perform time integration of input signals. Integrator circuits have been used in analog computers and remain useful in analog applications that require integration. Op amp-based implementations offer a practical and accurate solution for such needs.