PNA-X Network Analyzer: Key Advantages
Overview of the Keysight PNA?X VNA: measurement capabilities, internal MMIC/microwave module layouts, frequency options to 67–110 GHz, and millimeter?wave extension architecture.
In the realm of electronics and PCB design, accurate measurement and testing form the backbone of reliable innovation and troubleshooting. Our Measurement & Test Instruments category delves into the essential tools that engineers, hobbyists, and professionals rely on to ensure precision and performance in their projects. From multimeters and oscilloscopes to spectrum analyzers and logic probes, these instruments enable users to quantify electrical parameters, diagnose faults, and validate circuit behavior with confidence. This category covers a wide array of resources designed to empower readers at every level. You'll find in-depth guides on selecting the right equipment for specific applications, such as high-frequency signal analysis or low-noise voltage measurements. Tutorials walk through practical setups, including how to calibrate devices for optimal accuracy and integrate them into automated testing workflows. Insights from industry experts highlight emerging trends, like the role of digital oscilloscopes in IoT development or the use of thermal imaging cameras for PCB thermal profiling. Best practices emphasize safety protocols, error minimization, and efficient data interpretation, helping you avoid common pitfalls in real-world scenarios. The practical value of these instruments extends across diverse fields, from prototyping consumer electronics to quality assurance in aerospace manufacturing. By mastering their use, you can accelerate design cycles, reduce costly rework, and achieve compliance with standards like IPC or ISO. Articles in this category address technical relevance through case studies, such as troubleshooting power supply issues in embedded systems or evaluating signal integrity in high-speed PCBs. As you navigate these topics, the knowledge gained will equip you to tackle complex challenges and innovate effectively in electronics.
Overview of the Keysight PNA?X VNA: measurement capabilities, internal MMIC/microwave module layouts, frequency options to 67–110 GHz, and millimeter?wave extension architecture.
Practical guide to LabVIEW multithreading: concepts, execution systems, VI priority, timed structures, processor affinity, and parallel loop configuration for performance.
Technical overview of the CERN multimeter open-hardware design, covering ADC-based signal chain, MCP3421 ADC, analog switching and range-switching firmware.
Analysis of a 1X passive oscilloscope probe: internals, the role of the damping resistor, why 10X probes have higher bandwidth, and VNA/TDR measurements of the coax.
Practical guide to using a wire tracer for energized and de-energized circuits: procedures, field case, and breaker identification techniques for cable tracing and fault location.
Guide to using a clamp meter for current and leakage current measurements in single-phase and three-phase (3-wire/4-wire) low-voltage distribution systems.
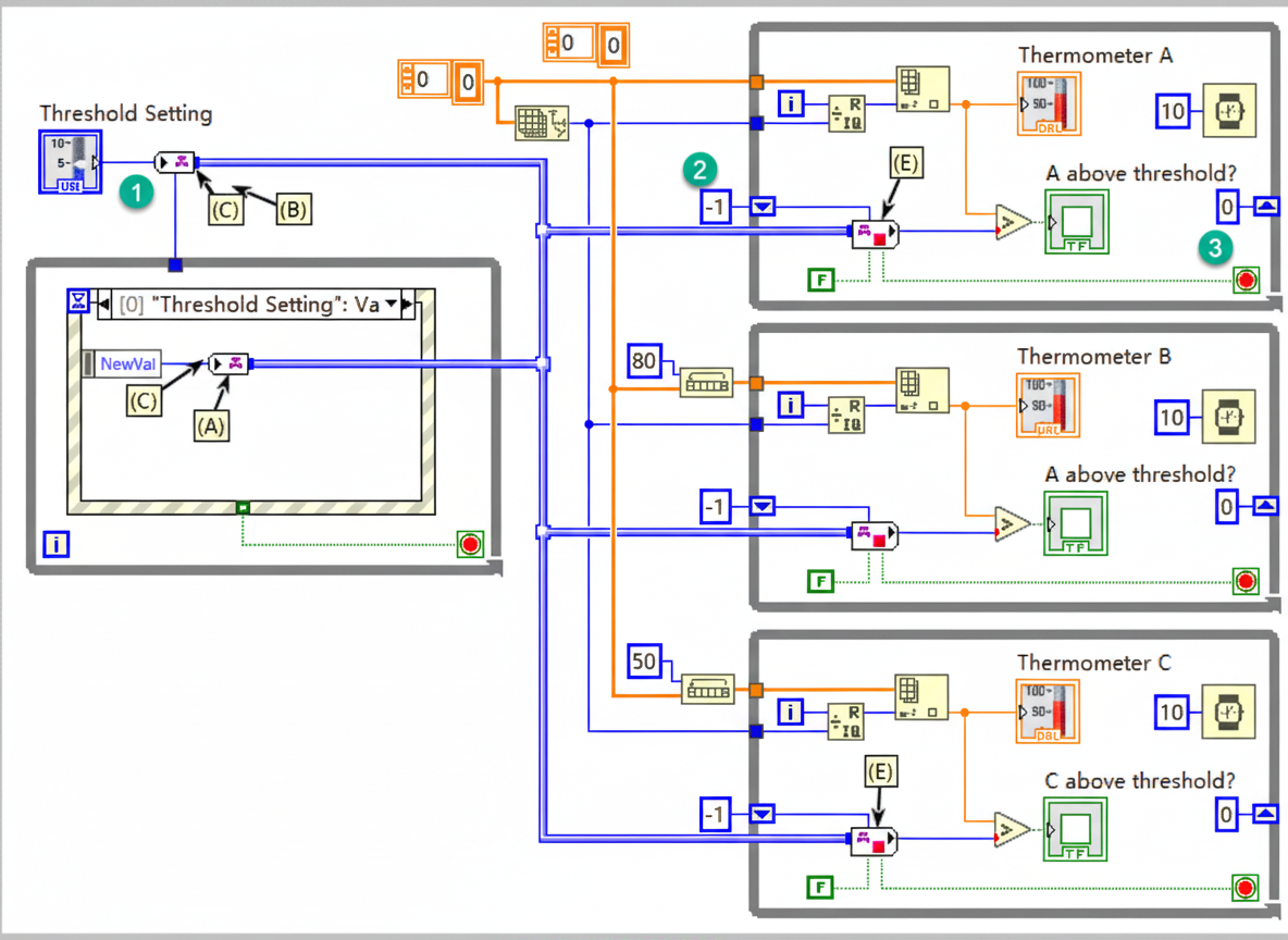
LabVIEW channel wire review: message-handler patterns, stream-channel deadlock avoidance, and execution-order guidance for reliable inter-thread communication.
Overview of Power Profiler Kit II (PPK2) for DC current measurement and power profiling: modes, resolution, board diagrams, connection guidance, and battery-life estimation.
Overview of five common industrial thermometers: liquid-expansion, solid-expansion, pressure-type, thermocouple, and resistance thermometers, covering principles and applications.
Explains phase noise and details the direct spectrum method using a spectrum analyzer: measurement steps, RBW/VBW guidance, and practical considerations.
Hardware supplement for an ESP32 oscilloscope covering Type?C ID resistor, electronic switches, negative supply, ADC input conditioning and precision rectifier for current sensing.
Technical guide to ultrasonic flowmeter transit-time measurement, covering structure, working principle, installation guidelines, commissioning, troubleshooting, and media selection.