How to Measure Motors and Transformers with a DC Resistance Tester
Procedures for DC resistance testing of motors, transformers, and resistors: preparation, connection, measurement steps, range selection, and safety precautions.
In the realm of electronics and PCB design, accurate measurement and testing form the backbone of reliable innovation and troubleshooting. Our Measurement & Test Instruments category delves into the essential tools that engineers, hobbyists, and professionals rely on to ensure precision and performance in their projects. From multimeters and oscilloscopes to spectrum analyzers and logic probes, these instruments enable users to quantify electrical parameters, diagnose faults, and validate circuit behavior with confidence. This category covers a wide array of resources designed to empower readers at every level. You'll find in-depth guides on selecting the right equipment for specific applications, such as high-frequency signal analysis or low-noise voltage measurements. Tutorials walk through practical setups, including how to calibrate devices for optimal accuracy and integrate them into automated testing workflows. Insights from industry experts highlight emerging trends, like the role of digital oscilloscopes in IoT development or the use of thermal imaging cameras for PCB thermal profiling. Best practices emphasize safety protocols, error minimization, and efficient data interpretation, helping you avoid common pitfalls in real-world scenarios. The practical value of these instruments extends across diverse fields, from prototyping consumer electronics to quality assurance in aerospace manufacturing. By mastering their use, you can accelerate design cycles, reduce costly rework, and achieve compliance with standards like IPC or ISO. Articles in this category address technical relevance through case studies, such as troubleshooting power supply issues in embedded systems or evaluating signal integrity in high-speed PCBs. As you navigate these topics, the knowledge gained will equip you to tackle complex challenges and innovate effectively in electronics.
Procedures for DC resistance testing of motors, transformers, and resistors: preparation, connection, measurement steps, range selection, and safety precautions.
Technical overview of anemometer principles and wind speed measurement, covering sensors, applications (indoor air quality, industrial hygiene, HVAC) and instrument selection.
Practical multimeter reference covering common errors, true RMS vs average response, low-pass filters, AC bandwidth, fuse testing and REL lead-resistance compensation.
Step-by-step guide to measuring current waveforms with an oscilloscope, covering probe selection, timebase, triggering, and key display parameters for accurate measurements.
Classification and operating principles of current probes (moving-coil, Hall-effect, current transformer, optical, thermocouple) and practical usage tips for accurate measurements.
Overview of oscilloscopes: operating principles, main components, types (digital, analog, storage), and usage precautions for accurate waveform measurement.
LabVIEW: how to read command-line arguments in built executables using the property node, enable 'Pass all command line arguments' in build settings, and file association.
Comprehensive guide to measuring tools: classification, performance indicators and selection guidelines, with focus on CMMs and practical precision inspection methods.
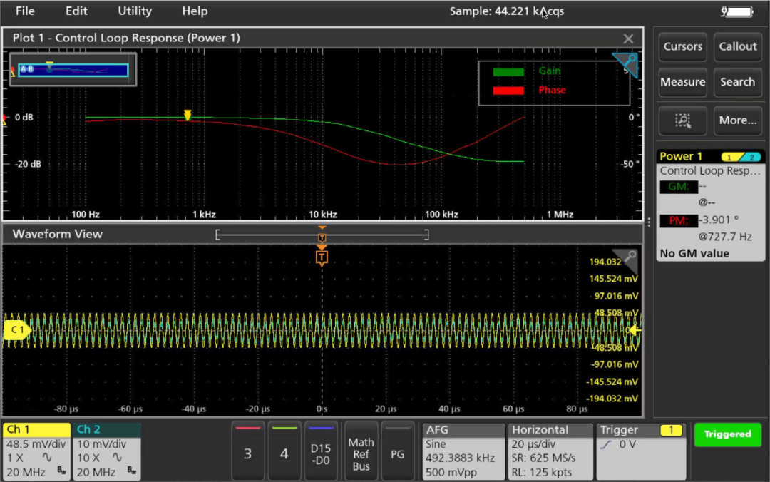
Guide to generating Bode plots and analyzing frequency response using Series 2 mixed-signal oscilloscopes, including an RC low-pass example and measurement setup.
Measuring leakage current with a digital multimeter: line vs equipment leakage, insulation limits, measurement steps and live conductor capacitive detection.
Guidance on selecting, operating, and maintaining a megohmmeter for accurate insulation resistance testing, including test voltage, connections, and storage.
Guide for electricians on using a multimeter to detect short circuits, open circuits, and leakage; procedures, notes on resistance measurement and insulation testing.