Overview
Common-collector, common-base, and common-emitter are common transistor amplifier topologies.
Emitter follower (common-collector)
- Also called a basic follower circuit or a current amplifier circuit.
- The transistor's emitter is described as the input terminal, the collector as the output terminal, and the base is connected to the input signal and a bias voltage.
- The input signal is amplified in current, and the output is in phase with the input, so there is no phase inversion.
- The common-collector circuit has a voltage-following characteristic: the output voltage amplitude is approximately equal to the input voltage amplitude, and the output resistance is relatively low.
Common base
- The transistor's base serves as the input terminal, the emitter serves as the output terminal, and the collector is connected to a bias voltage.
- The common-base circuit can provide a relatively large voltage gain.
- It has high input resistance and low output resistance.
- The input and output signals are in the same phase.
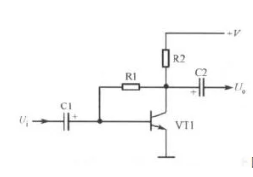
Common emitter
- The transistor's emitter is described as the input terminal, the collector as the output terminal, and the base is connected to the input signal and a bias voltage.
- The common-emitter amplifier is the most common transistor amplifier topology and is widely used in electronic equipment.
- It can provide high voltage gain and significant current amplification.
- It has relatively low input resistance and relatively high output resistance.
- The input and output signals have an inverted phase relationship.
Terminal conventions
1. Common-collector circuit: the transistor collector is tied to ground; the collector is the terminal common to input and output.

2. Common-base circuit: the transistor base is tied to ground; the base is the terminal common to input and output.
3. Common-emitter circuit: the transistor emitter is tied to ground; the emitter is the terminal common to input and output.
Application scenarios
Emitter follower (common-collector) is suitable for:
- Signal buffering: the voltage-following characteristic makes the output amplitude nearly equal to the input amplitude, providing low output impedance and high current drive capability.
- Driving loads: the low output resistance allows effective load driving with lower power loss.
- Signal conditioning: it can be used for impedance matching between stages to improve overall system performance.
Common-emitter is suitable for:
- Large-signal amplification: it offers significant voltage gain and current amplification for applications requiring substantial signal amplification.
- Single-ended amplification: it can amplify a single-ended input signal (typically an AC signal) to a larger single-ended voltage output.
- Inverting amplification: the output is 180 degrees out of phase with the input, which is useful when an inverted output is required.
- Low-noise amplification: common-emitter stages often exhibit relatively low input noise, making them suitable for low-noise amplifier applications such as wireless communication.