Introduction
A Schmitt trigger is a form of comparator circuit with hysteresis or different input switching levels that changes the output between two states. At its core a comparator contains a differential amplifier; the comparator action effectively converts an analog input voltage into a digital output.
By using hysteresis, the effect of noise on the input near the switching threshold can be significantly reduced, preventing multiple output transitions caused by noise.
A Schmitt trigger is essentially a differential amplifier: operational amplifiers are often used for this role, but a dedicated comparator chip is usually a better choice for this application.
What Is Hysteresis
Hysteresis occurs in many areas of science. In the case of a Schmitt trigger, hysteresis means the circuit triggers at different voltages depending on whether the input is going from low to high or from high to low.
To explain further, consider an example with a nominal reference voltage of 5 V. As the input rises, the circuit might switch at 5.5 V. To switch back the other way, the input would need to fall to 4.5 V. This creates a 1 V gap between the two switching points in either direction, providing substantial immunity to noise.

The concept of hysteresis used in Schmitt trigger circuits
Symbol
Because Schmitt triggers exhibit hysteresis, the schematic symbol for a Schmitt trigger includes a hysteresis mark. All Schmitt triggers use this symbol.

Schmitt trigger circuit symbol
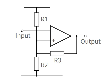
Schmitt Trigger Circuit
A standard comparator circuit can usually be converted into a Schmitt trigger during the design phase by adding positive feedback. In the circuit below this is achieved by adding resistor R3.

Op amp Schmitt trigger circuit
The new resistor R3 provides different switching thresholds depending on the state of the comparator or op amp output. When the comparator output is high, that voltage is fed back to the noninverting input, making the switching threshold higher. When the output switches in the opposite direction, the switching threshold is lower. This creates the hysteresis.
In practice, the positive feedback increases the effective gain in the circuit, so switching is faster. This is especially useful when the input waveform is slow. A speed-up capacitor can also be applied in a Schmitt trigger to further improve switching speed.
Placing a capacitor across the positive feedback resistor R3 increases the gain during transitions and speeds switching. This speed-up capacitor typically ranges from about 10 pF to 100 pF depending on the circuit.
Calculating Resistors
Calculating the required resistors for a Schmitt trigger is straightforward. The center voltage at which the circuit should switch is set by the R1 and R2 divider. Choose that first. Then calculate the feedback resistor R3. The resulting hysteresis amplitude equals the output swing reduced by the potential divider formed by R3 and the parallel combination of R1 and R2.
Applications
Schmitt triggers are used in many applications that require level detection. Even a small amount of hysteresis can prevent multiple transitions near the switching point.
- Analog-to-digital conversion: A Schmitt trigger effectively acts as a single-bit ADC. When the signal reaches a threshold, it switches state and can drive subsequent digital logic.
- Liquid level detection: Schmitt trigger circuits can be used for liquid level sensing. When designing such circuits, the hysteresis voltages must be considered so the circuit turns on and off at the desired levels.
- Line receivers: When a data line to a logic gate may have picked up noise, a Schmitt trigger ensures the logic output changes only with the intended data transitions rather than stray noise. The hysteresis absorbs peak-to-peak noise up to the hysteresis level before false triggering occurs.
Design Considerations
Care must be taken when using an operational amplifier as a comparator. Op amps are optimized by manufacturers for closed-loop operation with negative feedback. Therefore, op amp vendors do not guarantee performance when the device is used in open-loop or positive-feedback configurations such as a Schmitt trigger.
One issue is switching speed: an op amp used as a comparator will generally switch more slowly and may not tolerate the same supply-rail switching stresses. Comparators are designed for open-loop conditions and often use open-collector or open-drain outputs intended to hard-switch to voltage rails per logic requirements. For these reasons and others, comparators typically provide better switching characteristics than op amps.
Other potential problems include increased power consumption when an op amp is driven hard to the supply rails, and latch-up where the op amp becomes stuck at a supply rail and does not switch back regardless of input level.
Conclusion
Schmitt triggers are widely used in many electronic circuits where analog signals must be detected and converted to digital form. The circuit has existed for many years and continues to provide useful functionality in modern electronic design.