Overview
Varactor diodes are used in many parts of RF electronics. The configuration of a varactor circuit can significantly affect its behavior; small changes may produce large differences in performance. Because RF circuits are not always easy to optimize, it is important to ensure varactors are driven using appropriate techniques and robust basic circuit topologies.
Driving the varactor diode
Varactor diodes require a reverse bias to be applied without disturbing the tuned circuit they belong to. The bias voltage must be isolated from the tuning circuit to avoid degrading RF performance.
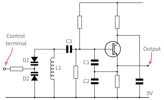
Typical VCO circuit
The schematic below shows a typical voltage-controlled oscillator topology and how varactor diodes are commonly included in the circuit.

Explanation of the circuit
In this circuit, two varactor diodes are used. One is grounded directly, while the second is returned to ground through an inductor providing a DC current path. Using two diodes in this way helps balance changes caused by the RF oscillation itself. The circuit compensates for RF-induced modulation of the tuning voltage: as RF voltage on one diode increases its capacitance may increase while the other diode's capacitance decreases. A back-to-back arrangement also halves the effective capacitance of a single diode since the two diodes are in series. Note that series resistance also doubles in this configuration, which will affect the circuit Q.
If needed, D1 can be replaced by a single capacitor. If D1 is not replaced, the control voltage would have a DC path to ground through the inductor and the circuit would not operate correctly.
Applying the control voltage
The control voltage must be applied to the node common to both diodes. Resistors or inductors can be used because the diodes operate under reverse bias and present high DC resistance.
Inductors can work well in some cases because they provide a low-resistance path for bias while presenting a high impedance at RF. However, inductors may introduce stray inductance and, in some oscillator designs, can cause spurious oscillations. Resistors are an alternative. The resistor value must be high enough to isolate the bias circuit from the tuning circuit without reducing Q, yet low enough to hold the diode bias against RF-driven disturbances. A 10 kΩ resistor is often a good starting point.
Bias and RF considerations
When designing circuits with varactor diodes, care must be taken to prevent forward-biasing the diodes. In some cases, especially with low reverse bias levels, the RF signal in parts of the waveform may overcome the bias and drive the diode into forward conduction. This can generate spurious signals and other undesirable effects.