Overview
What causes MOSFETs in low-power brushless DC (BLDC) motor controllers to be damaged? Without a detailed circuit diagram and specific component part numbers it is difficult to diagnose precisely. Below are common failure modes to check against your design and implementation.
Common Failure Scenarios
- Excessive startup current without protection.
- Shoot-through between the upper and lower bridge arms, causing instantaneous overcurrent.
- Insufficient dead time; back EMF can cause reverse breakdown.
- Intermittent hardware faults or component failures.
- Control algorithm errors.
- Poor dead-time protection allowing simultaneous conduction of upper and lower H-bridge arms. Use a multi-channel oscilloscope to verify PWM signals and check for possible overlap.
Design and Component Checks
1. Freewheeling (flyback) diode
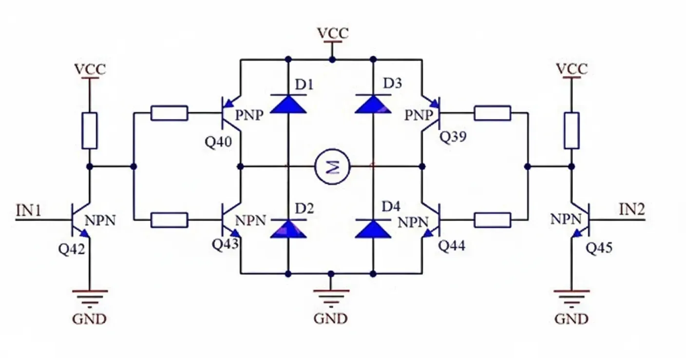
Does the circuit include a freewheeling diode? Motors are inductive loads with coils. When a MOSFET switches off, the resulting back EMF can add to the supply voltage and create a high voltage spike that may exceed the MOSFET rating and cause breakdown. Adding a diode provides a current path for the inductive energy, protecting MOSFETs and other controller components. In the figure below, D1 is the motor freewheeling diode.
2. MOSFET selection
Startup or stall currents can be 5 to 8 times the steady-state rated current. Choose a MOSFET whose maximum drain current (Id) is at least 10 times the motor's rated current. For example, for a motor with 0.5 A rated current, select a MOSFET with Id > 5 A. Prefer MOSFETs with low Rds(on) to minimize voltage drop and power dissipation.
Also ensure the MOSFET Vds rating exceeds the motor supply voltage by a comfortable margin. A rule of thumb given here is to choose a MOSFET with a voltage rating roughly twice the motor voltage—for a 24 V motor, select Vds > 48 V.
3. Gate drive voltage
Although a MOSFET may begin to conduct at low VGS values, it typically reaches low Rds(on) only when VGS is around 6 V to 10 V. If the gate is driven with only 3.3 V, the MOSFET may be partially on with high Rds(on), causing excessive dissipation and overheating. The example 2N7002 characteristic shows current begins to flow for VGS > 2 V, but full conduction occurs near 5.5 V.

4. Gate series resistor
Do not omit the gate series resistor. It provides isolation and protection. However, if the resistor value is too large, the MOSFET's gate capacitance charges slowly and the device may not reach full conduction quickly, increasing dissipation and risk of overheating. Keep the gate resistor value reasonably small; the original guideline here is typically within 10 kΩ.
5. Bidirectional drive and freewheeling diodes
For reversible motor control, the four freewheeling diodes in the H-bridge cannot be omitted; they provide coil current return paths and protect the control circuitry. If the control switches are MOSFETs, their intrinsic body diodes may provide this function, so external diodes may not be necessary depending on the MOSFETs used and the circuit design.
