Fault symptoms
After power-on, the machine fan runs, but the xenon lamp does not light and there is no startup "clicking" sound.
Troubleshooting and repair steps
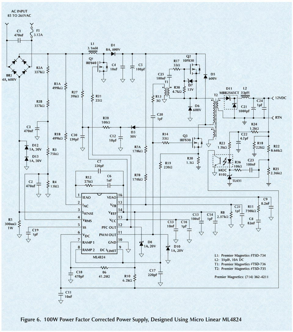
- Measured the bridge rectifier and the main filter capacitor voltages; they were normal.
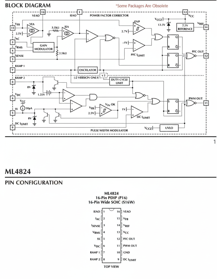
- Consulted the power management IC datasheet and reviewed the typical application circuit.


- Measured the power management IC: pin 13 VCC and pin 14 Vref were unstable and showed large fluctuations. The soft-start pin 5 voltage waveform was normal.
- Measured pin 11 PWM output and pin 12 PFC output. Both were square waves but with a maximum amplitude of only about 2 V, which is insufficient to drive MOSFETs Q1, Q2, and Q3.
MOSFET Q2 could not turn on. Therefore the small winding on the primary side of transformer T2 did not receive energy to generate voltage, and the circuit could not provide a stable supply voltage to the power management IC through D3 rectification, C12 filtering, and R28.
Suspected that the power management IC itself was faulty.
- Replaced the power management IC and powered on; the lamp lit.
- After the lamp lit, it would go out after a few seconds and the fuse blew.
- Inspection revealed that the PWM-controlled MOSFET Q2 was damaged. After removing the two MOSFETs and measuring on the PCB, a short was found between the drain and source of Q3. From the schematic, the freewheeling diode for Q3 was shorted, causing Q3 to be shorted. With only Q2 remaining functional, Q2 failed after a short time.
- Replaced Q3's freewheeling diode and MOSFET Q2. The lamp lit and operated normally for at least half an hour.