Principles of Medical Digital Imaging Systems
Review of electronic design challenges and mixed-signal developments in medical imaging—digital X?ray, ultrasound, and MRI signal chains, ADCs, and analog front ends.
Medical Electronics represents a vital intersection of advanced technology and healthcare, where electronic systems and printed circuit boards (PCBs) power life-saving devices and diagnostic tools. This category delves into the design, development, and optimization of electronics tailored for medical applications, addressing the unique challenges of reliability, precision, and regulatory compliance in environments where accuracy can mean the difference between health and harm. From wearable health monitors that track vital signs in real time to sophisticated imaging equipment like MRI machines and pacemakers, Medical Electronics encompasses a wide array of innovations that enhance patient care and streamline clinical workflows. Professionals in this field must navigate stringent standards such as ISO 13485 and FDA guidelines, ensuring devices are safe, effective, and resistant to electromagnetic interference. The practical value lies in empowering engineers, designers, and healthcare innovators to create solutions that improve diagnostics, enable remote monitoring, and support personalized medicine, ultimately contributing to better outcomes in hospitals, clinics, and home settings. This category offers comprehensive guides on PCB layout for medical-grade components, tutorials on integrating sensors and microcontrollers into diagnostic tools, and insights into emerging trends like telemedicine and AI-driven health analytics. Best practices cover everything from thermal management in implantable devices to signal integrity in high-stakes environments. By examining these resources, readers gain actionable knowledge to tackle real-world projects, whether prototyping a new blood glucose meter or optimizing circuits for surgical robots. Staying informed on these topics equips you with the expertise to drive advancements in healthcare technology. Dive into the articles here to uncover strategies that bridge electronics engineering with medical needs, fostering innovations that transform patient experiences and operational efficiency.
Review of electronic design challenges and mixed-signal developments in medical imaging—digital X?ray, ultrasound, and MRI signal chains, ADCs, and analog front ends.
The ADuCM3029 MCU implements fine-grained power management with Flexi mode, dynamic clocks, an on-chip buck converter, caching, and RTC1/SensorStrobe for low-power sampling.
Compact, low-power reference design for a multiparameter monitor that acquires ECG, heart and respiratory rates, with AFE/ADS front-end and PC GUI.
Technical overview of Murata NTC thermistors and UHF RFID tags for medical devices, detailing sensor performance, tag modules, read ranges, sterilization and traceability.
Analysis of China's medical device industry: market demand, innovation progress, supply?chain and talent gaps, reliance on imported high?end consumables and export barriers
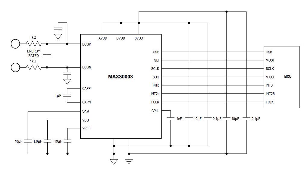
Overview of wearable heart-rate sensing: optical PPG and biopotential ECG methods, signal-acquisition challenges, and Maxim AFE device features for low-power designs.
Technical overview of energy harvesting system design and power ICs, highlighting low quiescent current converters and chargers (LTC3388 series, LTC4071) for wireless sensors.
FPGA-based evoked potentials stimulator on the ALTERA DE2 producing configurable auditory (tones, clicks, WAV via WM8731) and VGA visual (chessboard reversal) stimuli.
Overview of a mobile medical device's hardware design, covering ECG, temperature, blood pressure, blood glucose functions and lithium battery charging management.
Analysis of mobile nursing and closed-loop management in hospitals: bedside wristband scanning, PDAs, and traceability to improve clinical safety and quality.
Overview of nuclear medicine imaging devices, principles and workflow, and the role of radiopharmaceuticals in functional diagnostic imaging.
Overview of ultra-low-power MCU-based single-chip analog front end designs integrating ADC, op amp, and DAC peripherals for portable medical devices like BP monitors and spirometers.