Overview
Heart rate data can provide valuable information about an individual's physiological condition. It can help detect arrhythmias and other irregularities, and is used across applications from personal fitness tracking to clinical patient monitoring. Modern wireless and wearable technologies can collect complex data noninvasively, perform real-time analysis and display, and store data for later review.
Demand for noninvasive and wearable devices is growing, and the complexity of data to be collected is increasing, raising technical challenges in data acquisition, signal conditioning, and processing. For medical applications in particular, measurements must be reliable, accurate, and secure.
There are two primary methods for measuring heart rate. The first uses optical techniques to detect changes in light absorption or reflectance as blood flows through vessels near the skin. Optical methods can also estimate blood oxygen saturation (SpO2). Key technical challenges include low-power operation, ambient light suppression, and elimination of environmental noise. The second method measures biopotentials, using voltage-sensing electrodes to detect the electrical activity generated by the myocardium as it reaches the skin. That data is used to produce an electrocardiogram (ECG), which clinicians use to assess cardiac health. Bioimpedance can also be used to determine respiratory rate and relative intensity. Key challenges for this approach include low-power operation, motion compensation, and removal of noise and other interferences.
1. Optical Photoplethysmography (PPG)
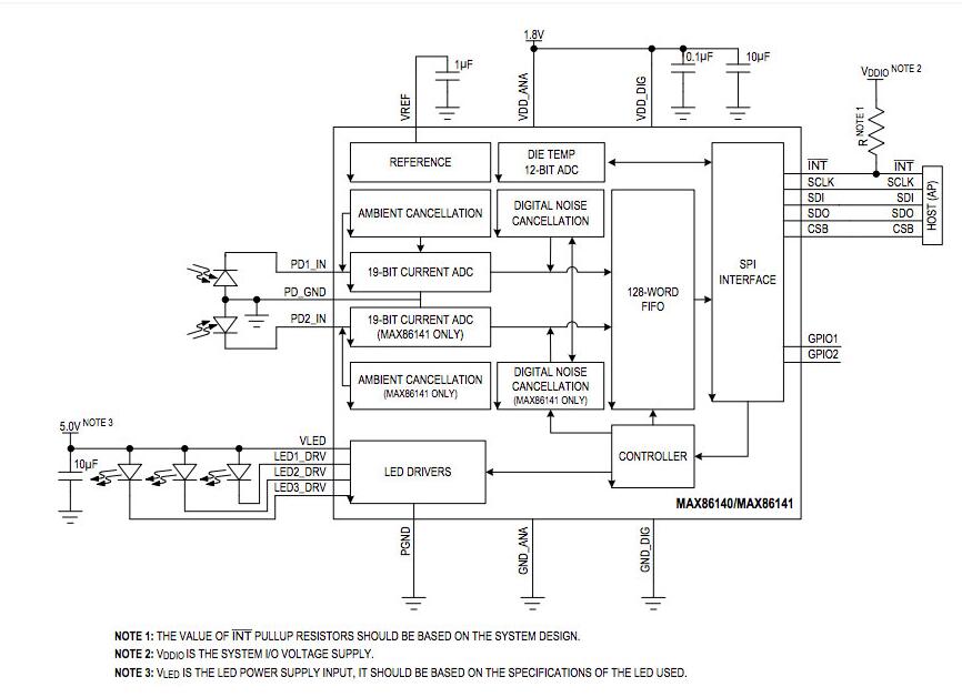
For developers, there are dedicated optical data-acquisition systems available for heart-rate monitors. For example, Maxim Integrated's MAX86140 is optimized for measuring optical heart rate, SpO2, and muscle oxygen saturation when used in wrist, finger, ear, and other sensor placements.

Optical heart-rate monitoring often requires a single light source, while pulse oximetry requires two. Multiple light sources are commonly used to increase measurement range and accuracy. The MAX86140 and MAX86141 provide single and dual optical channels respectively.
On the transmitter side, three programmable high-current LED drivers can drive up to six LEDs. Because the devices can operate in master-slave mode, the LED drivers can support up to 12 LEDs. A key feature is a robust proprietary ambient light cancellation (ALC) circuit, suitable for maintaining accuracy under bright conditions and handling rapid changes in illumination.
Other major features include a low-noise analog front end (AFE) with a 19-bit sigma-delta ADC, a voltage reference, and a temperature sensor. ADC output data rates are programmable from 8 to 8192 samples per second, and the devices require minimal external hardware. A 128-word FIFO provides on-chip storage for digital output data and can interface to a microcontroller.
These devices operate from a 1.8 V supply and have a separate 3.1 V to 5 V LED driver supply, with various power-saving options. Flexible timing and shutdown configurations allow optimized measurements at minimal power. At lower sampling rates, below 128 sps, a dynamic power-down mode is available. A proximity mode helps reduce energy use when the sensor is not in contact with the skin.
An optical controller can be configured for different measurement modes. Pulses can be applied sequentially to one, two, or three LED drivers for multi-wavelength pulse oximetry, or LEDs can be pulsed simultaneously for wrist-worn heart-rate measurement. LED drive levels are adjustable to compensate for increased ambient interference and noise.
2. Biopotential ECG Measurement
An ECG measures heart rate and provides detailed waveform information that supports clinical cardiac assessments. ECG also enables reliable heart-rate monitoring in fitness applications, particularly with chest straps. Biopotential measurements generally require much lower power than optical sensors at equivalent accuracy levels; however, ECG signal processing can still quickly consume battery energy. ECG readings are also sensitive to motion and other interference sources, so motion compensation is especially important in fitness applications, where motion itself can be a major noise source.

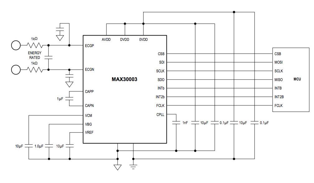
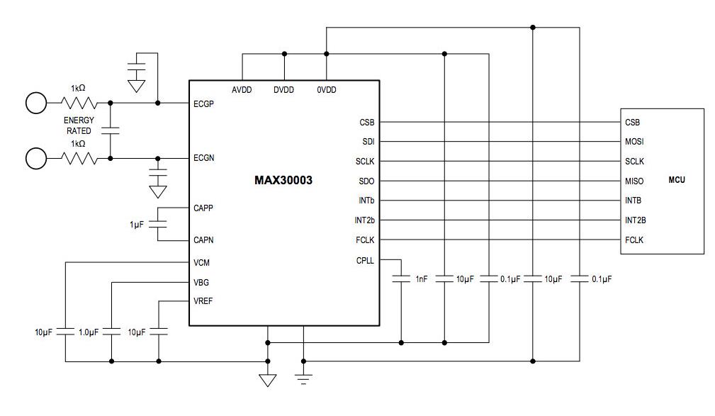
Dedicated devices exist for these applications. Maxim Integrated's MAX30003 is a single-channel bioelectric AFE optimized for wearable ECG applications. It provides a clinical-grade ECG AFE and a high-resolution ADC, offering 15.5-bit effective resolution and 5 μVpp noise. The device includes ESD protection, EMI filtering, internal lead bias, DC lead-off detection, and soft power sequencing. High input impedance ensures minimal signal attenuation during dry-start conditions.
Motion compensation and suppression of motion artifacts can be achieved by ensuring the AFE has a high common-mode rejection ratio (CMRR). The MAX30003 offers CMRR up to 115 dB; optional lead-bias resistors help improve CMRR and increase input impedance. Various low-pass and high-pass filtering options can be used to limit bandwidth, which is important for attenuating noise from static charge and high-frequency sources. For fitness use, the single-supply high-pass corner frequency should be set to 5 Hz, while clinical applications often require settings down to 0.5 Hz or 0.05 Hz. For sports, a common-mode low-pass corner frequency of 34 Hz is recommended to reduce clothing-related noise during dry-start conditions.
The MAX30003 operates at ultra-low power, consuming 85 μW at a 1.1 V supply, which helps extend battery life. Lead-on detection can operate during standby/deep-sleep modes (70 nA). A 32-word FIFO can store up to 32 ECG conversion results to reduce load on the host microcontroller, allowing the MCU to remain asleep for longer and save power. The MCU can be programmed not to process potentially invalid data, and the device's built-in R-R interval algorithm can further save power by reducing MCU activity to about 1 μA, compared with 50 to 100 times higher consumption if the MCU performed all these functions.
Reference Designs and Integration
Maxim provides a reference design platform for developing wearable health and fitness products based on these devices. The MAXREFDES100 health sensor platform includes the hardware building blocks on a single PCB and an ARM mbed programming board as the hardware development kit. The design integrates the MAX30003 for ECG and the MAX30101 for optical functionality, the latter including LEDs and a photodetector with ambient-light suppression and low-noise electronics. The platform also includes the MAX30205 clinical-grade temperature sensor and a MAX14750 power module capable of supplying multiple outputs for the MCU, AFE, and digital interfaces.