Problem
This circuit was circulating online and is reported to eliminate many interview candidates. Analyze it as follows.
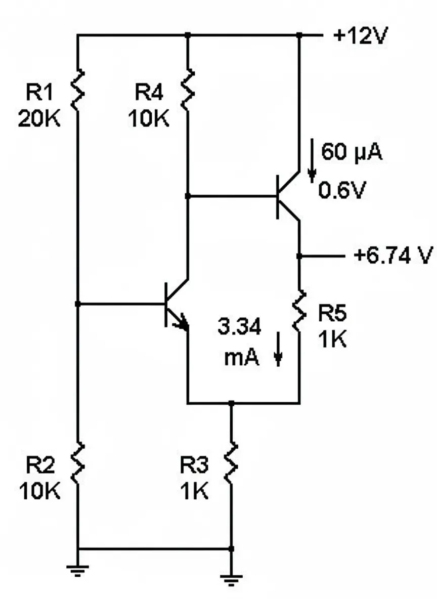
There are two transistors, one NPN and one PNP, connected as shown in the diagram. Assume both transistors are silicon with Vbe = 0.6 V, and both have very high beta so base currents are negligible. Find the voltage V.

Analysis
Step 1
For the NPN, with base current effectively zero, R1 and R2 form a divider that places the NPN base at +4 V from the +12 V supply. With Vbe = 0.6 V, the NPN emitter is at +3.4 V. The current through R3 is therefore 3.4 mA.

Step 2
The next question is how the NPN emitter current and the current through R5 are shared.
With the PNP Vbe = 0.6 V, the current through R4 is 0.06 mA (60 μA). With the PNP base current negligible and the NPN beta very high, that 60 μA becomes the NPN collector current and therefore part of the NPN emitter current. The current through R5 must equal the difference between the 3.4 mA through R3 and the 0.06 mA that flows into the NPN collector. Thus, the R5 current is 3.4 mA ? 0.06 mA = 3.34 mA.

Step 3
The voltage drop across R5 is 3.34 V. Adding this to the 3.4 V at the top of R3 places the top of R5 and the PNP collector at +6.74 V.
