Overview
RF communication mainly relies on a transmitter and a receiver.
Transmitter
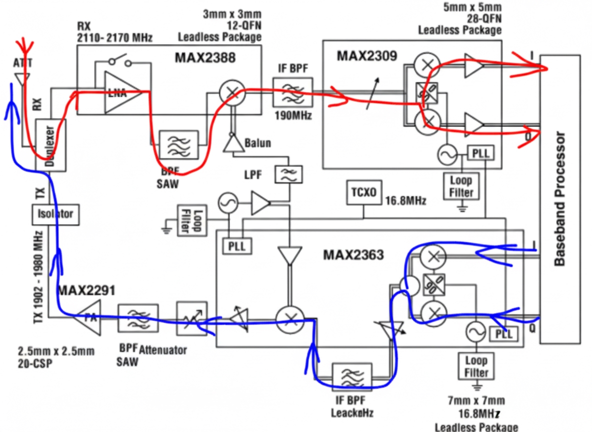
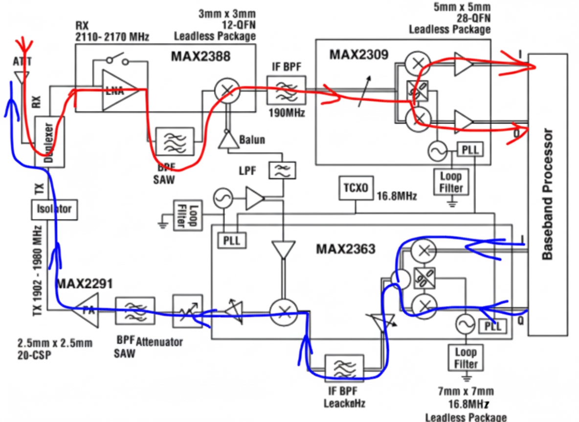
For RF transmitters used in critical transportation communication systems, where signal reliability is paramount, meticulous attention must be paid to power drive amplification: the predriver drives the penultimate stage, and the penultimate stage drives the final stage. Excessive gain can cause amplifier self-oscillation, resulting in instability. In design, include attenuation between stages and consider adding isolators on the final or penultimate stages. If possible, use cavities to isolate stages and leave sufficient margin.
Taking WCDMA as an example, the blue line in the figure shows the transmitter signal path. Baseband I and Q (information carriers) are combined by the internal IQ modulator in the MAX2363 into one signal, which is then amplified by a variable gain amplifier (VGA). The signal then passes through an intermediate-frequency band-pass filter (BPF), mixer (upconversion), amplifiers, attenuators, a SAW filter, power amplifier (PA), isolator, duplexer, and finally the antenna for transmission.
Related Reading: RF PCB Design for Beginners: A Complete Introductory Guide
Receiver
The red line in the figure shows the receiver signal path; compared with the transmitter, it represents the demodulation process. The antenna receives the over-the-air signal, which then passes through a duplexer, low-noise amplifier (LNA), band-pass filter (BPF), mixer (downconversion), filters, IQ demodulator, and finally baseband processing.
