How Base Stations and Phones Determine Channel Conditions
5G NR SRS overview: uplink channel sounding, time/frequency resource mapping (symbols, RB ranges, comb-2/comb-4) and transmission types: periodic, semi-persistent, aperiodic.
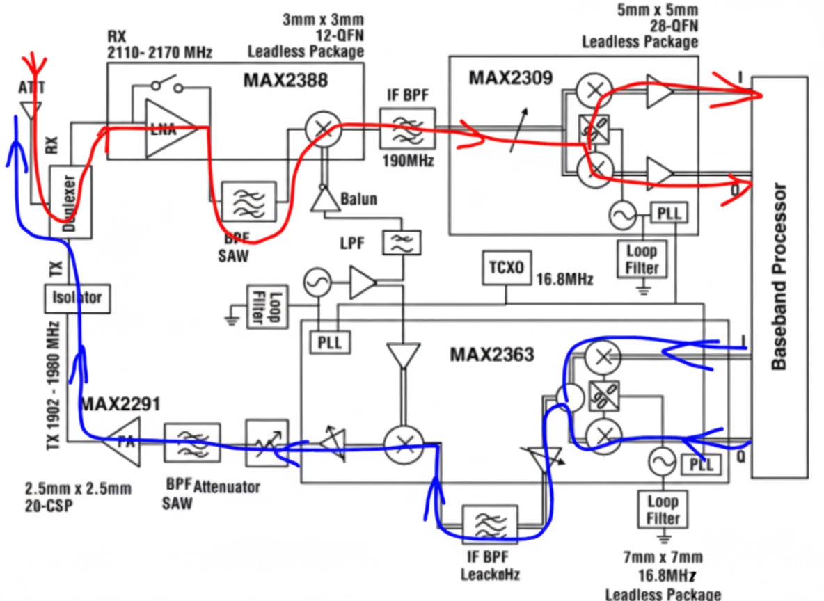
In the rapidly evolving field of electronics, RF & Wireless Technology stands as a cornerstone for modern connectivity and communication systems. This category delves into the principles and applications of radio frequency (RF) engineering and wireless protocols, essential for designing efficient printed circuit boards (PCBs) that power everything from smartphones to satellite systems. As devices become increasingly interconnected, understanding RF fundamentals ensures reliable signal transmission, minimal interference, and optimal performance in diverse environments. Our collection of articles offers comprehensive guides on RF circuit design, including antenna selection, impedance matching, and signal modulation techniques. Tutorials provide step-by-step instructions for implementing wireless standards such as Wi-Fi, Bluetooth, and 5G, while insights explore emerging trends like IoT integration and millimeter-wave technologies. Best practices focus on troubleshooting common issues, such as electromagnetic compatibility and power efficiency, helping engineers avoid pitfalls in real-world projects. The practical value of RF & Wireless Technology extends to numerous industries, from telecommunications and automotive systems to healthcare devices and smart cities. By mastering these concepts, professionals can develop innovative solutions that enhance data transfer speeds, extend battery life, and support seamless connectivity. Whether you are optimizing PCB layouts for high-frequency operations or evaluating wireless security measures, the knowledge here equips you to tackle complex challenges with confidence. Readers will find value in browsing through these resources to gain a deeper understanding of how RF principles drive technological advancements. Each article builds on core concepts, offering actionable advice that bridges theory and practice for engineers at all levels.
5G NR SRS overview: uplink channel sounding, time/frequency resource mapping (symbols, RB ranges, comb-2/comb-4) and transmission types: periodic, semi-persistent, aperiodic.
Technical overview of Bluetooth history and specifications, tracing the protocol evolution from classic Bluetooth to BLE, LE Audio, direction finding and 5.x features.
Technical overview of airborne radar clutter suppression and STAP (space-time adaptive processing), covering data-cube modeling, DBF/VLSI advances and experimental results.
Technical overview of radar systems: active radar homing air-to-air missiles, semi-active/passive seekers, AESA vs PESA, monostatic/bistatic, Doppler, FMCW and GPR principles.
Technical overview of radar and stealth: electromagnetic scattering, RCS reduction (faceting, curvature, RAM), infrared signature suppression and detection countermeasures.
Review of passive RF components covering resistors, inductors, capacitors, power dividers, directional couplers, circulators/isolators, filters and antennas.
Overview of communication towers: types (monopole, guyed, tubular, lattice), design factors including applicable standards, design wind speed, and horizontal load capacity.
Guide to connecting a ZTE set-top box via Wi?Fi or Ethernet, saving network settings, and configuring DHCP, static IP, or PPPoE for automatic reconnection.
Ten SDR project ideas for beginners covering software-defined radio applications: ham radio, radio astronomy, NOAA satellite imaging, ADS?B, GNSS, GSM, ATC and more.
Overview of RF technology, applications, 5G impact and RF design considerations for engineers, covering antennas, RF front-end, PCB layout and testing.
Technical overview of 2.4 GHz Wi-Fi: characteristics, pros and cons, interference mitigation, performance tuning, and comparison with 5 GHz band.
Explains decibel (dB) definition, intuition and quick conversions, plus dBm/dBW power references and examples for converting between linear gain, watts, and dBm.