Help
  • FAQ
    browse most common questions
  • Live Chat
    talk with our online service
  • Email
    contact your dedicated sales:
0

Frequency Response Analysis with an Oscilloscope

Author : AIVON | PCB Manufacturing & Supply Chain Specialists

February 25, 2026


 

Overview

A Bode plot is commonly used to analyze a system's frequency response. It graphically shows amplitude and phase across a range of frequencies, which helps to understand circuit behavior. In general, Bode plots provide a clear and intuitive view of a circuit's frequency-response characteristics and are a valuable tool for circuit analysis, design, optimization, and troubleshooting.

Bode plots can be produced by collecting amplitude and phase measurements at different input signal frequencies and plotting the results. When many data points are collected, software such as Excel, MATLAB, or Python can be used to draw the plots.

Series 2 mixed-signal oscilloscopes offer optional 2-SOURCE or 2-UL TI MATE configurations and include a built-in function generator and Bode-plot capability. For Series 4/5/6 mixed-signal oscilloscopes, the Bode-plot function requires the power measurement and analysis option (PWR). Power measurements and analysis can be used to derive control-loop response measurements.

Some Tek oscilloscopes include a built-in function generator and Bode-plot capability, which automates changing the generator output frequency, capturing input and output signals, and generating the Bode plot.

 

What Is a Bode Plot

A Bode plot consists of two graphs: a magnitude (gain) plot and a phase plot. These graphs show how the system responds at different frequencies and provide insight into gain and phase characteristics.

The magnitude plot uses a logarithmic frequency scale to represent amplitude as a function of frequency. A logarithmic scale allows the frequency axis to span several decades without losing resolution, compressing higher frequencies toward the right side of the plot for a more uniform representation.

The phase plot shows phase shift in degrees and indicates the amount and direction of phase change. Phase is typically represented from -180° to 180°. The phase plot complements the magnitude plot and provides a more complete view of the system's frequency response.

series-2-mso-gain-and-phase-plots

Figure 1: Gain and phase plots on a Series 2 mixed-signal oscilloscope

 

Applications of Bode Plots

Bode plots provide several types of insight for circuit analysis, including:

1. Gain and Attenuation

Bode plots show how a circuit amplifies or attenuates signals at different frequencies. The magnitude plot reveals overall gain or loss and identifies frequency-dependent behavior.

2. Bandwidth

Bandwidth is the frequency range over which a circuit performs effectively. By inspecting the magnitude plot, you can determine the frequencies where gain falls to a specified level (for example, -3 dB), representing the usable bandwidth.

3. Filter Analysis

Bode plots are useful for analyzing low-pass, high-pass, band-pass, and band-stop filters. They show cutoff frequencies, roll-off rates, and passband/stopband characteristics, aiding filter design and verification.

4. Phase Response

The phase plot shows the phase shift introduced by a circuit at different frequencies. This information is important for systems with time delay or phase-sensitive applications such as audio signal processing and feedback control systems.

5. Stability Analysis

Bode plots are used to analyze the stability of feedback control systems. Open-loop analysis, which examines only the open-loop transfer function, is a common simplification for stability assessment. Engineers can use the magnitude and phase plots to determine gain margin and phase margin, which quantify stability and robustness to disturbances and parameter variations.

gain-and-phase-margin

Figure 2: Gain and phase margin

6. Resonance and Frequency Selectivity

Bode plots help identify resonant frequencies and frequency-selective behavior, especially in systems that include reactive components such as capacitors and inductors. Peaks in the magnitude plot indicate resonances, and the phase plot shows the related phase shifts.

 

Generating a Bode Plot on a Series 2 Mixed-Signal Oscilloscope

The following example uses a simple first-order passive low-pass RC filter to demonstrate how to generate a Bode plot on a Series 2 mixed-signal oscilloscope. The filter consists of a resistor in series with a capacitor.

The RC network uses a 10 Ω resistor and a 1 μF capacitor.

simple-passive-lowpass-rc-network

Figure 3: Simple passive low-pass RC filter

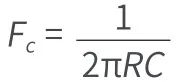
Calculate the cutoff frequency using the standard RC formula.

rc-cutoff-frequency-formula

The cutoff frequency for this network is approximately 16 kHz.

To start a Bode plot on a Series 2 mixed-signal oscilloscope, add a new measurement and select the FRA option on the measurements tab. Use the built-in AFG or an external Tek AFG (AFG31000) to configure the Bode plot. The built-in AFG supports signals up to 50 MHz.

adding-fractional-measurement-bode-plot

Figure 4: Start the Bode plot by adding a new measurement

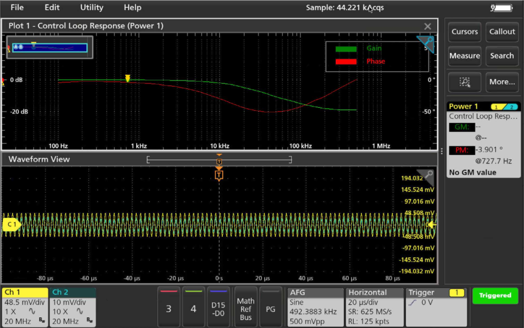
bode-configuration-with-built-in-afg

Figure 5: Bode plot configuration using the built-in function generator

bode-plot-lowpass-16khz

Figure 6: Bode plot for a low-pass filter with a 16 kHz cutoff

Set the start and stop frequencies to define the scan range. "Points/decade" specifies the data point density; a reasonable range is 5 to 10 points per decade. The default is 10 points per decade.

After configuring the settings, press the preset button to apply the AFG settings and initialize the oscilloscope. Press the front-panel Run/Stop button or use the on-screen Run/Stop control to begin data acquisition and plotting.

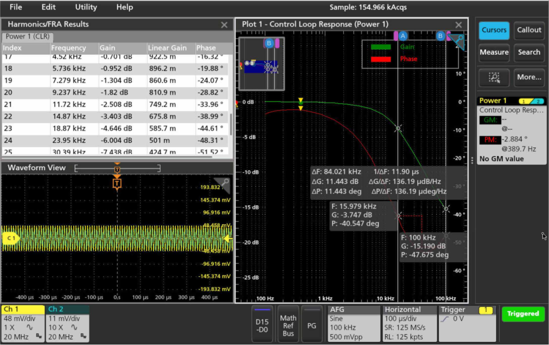
bode-cursors-and-results-table

Figure 7: Use cursors and the results table to examine measurement details

Use cursors and the results table to obtain detailed information from the Bode plot. For the simple RC network with 10 Ω and 1 μF, the measured cutoff frequency is about 16 kHz, matching the calculation. The phase plot shows approximately -40° near the cutoff, close to the ideal -45°. The magnitude plot also shows the expected roll-off near the cutoff frequency.

Series 2 mixed-signal oscilloscopes provide built-in Bode-plot functionality and optional battery power for portable measurement use.

AIVON | PCB Manufacturing & Supply Chain Specialists AIVON | PCB Manufacturing & Supply Chain Specialists

The AIVON Engineering and Operations Team consists of experienced engineers and specialists in PCB manufacturing and supply chain management. They review content related to PCB ordering processes, cost control, lead time planning, and production workflows. Based on real project experience, the team provides practical insights to help customers optimize manufacturing decisions and navigate the full PCB production lifecycle efficiently.

Related Tags


2026 AIVON.COM All Rights Reserved
Intellectual Property Rights | Terms of Service | Privacy Policy | Refund Policy