Overview of Portable Power Stations
Portable power stations are multifunctional, portable AC/DC emergency power units that incorporate lithium-ion batteries and provide stored electrical energy with AC output. These devices are typically lightweight, have high capacity and power, and are convenient to carry for indoor and outdoor use. They can be charged via conventional charging or solar charging and normally provide 100–240 V AC output plus multiple DC outputs such as 5 V, 9 V, and 12 V.
Ports and Typical Functions
12 V cigarette-lighter port: car charger.
DC 5.5 mm and 3.3 mm ports: notebook computers, external HDD enclosures, projectors, portable refrigerators, digital photo frames, portable DVD players, printers, etc.
USB / Type-C ports: smartphones, tablets, smartwatches, digital cameras, projectors, e-readers, and similar devices.
AC port: camping lights, small rice cookers, small electric kettles, small lamps, fans, blenders, and other low-power household appliances.
Market Analysis
Portable power stations are growing fast in the Chinese market, with significant potential. According to industry statistics, global shipments of portable energy storage in 2021 were about 4.838 million units, a year-over-year increase of 131.7%, and sales reached CNY 11.13 billion, up 161.3%. Forecasts estimate that global shipments of portable storage will rise from 4.84 million units in 2021 to approximately 31.10 million units by 2026, with a market size exceeding CNY 80 billion by 2026.
Industry reports also indicate that portable power stations have been one of the fastest-growing categories among emerging product segments. Three years ago the category was very small with only a few brands; by 2021, leading brands had entered top sales rankings in 3C digital accessory categories, with multi-hundred-percent growth rates over recent years.
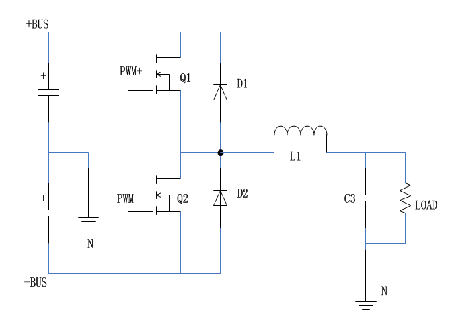
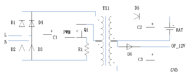
Product Applications and Topologies
Main power topology option 1: Push-pull + half-bridge inverter + flyback charge

DC-DC topology

DC-AC topology

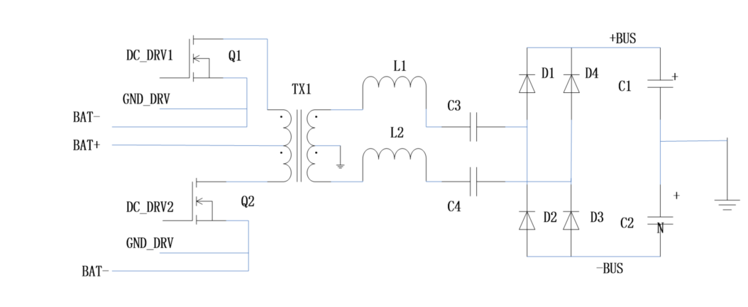
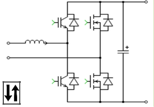
Main power topology option 2: Bi-directional PSFB or CLLC + totem PFC

DC-DC topology 2

DC-AC topology 2
Device Characteristics for Portable Storage Applications
High-voltage superjunction MOSFET (SJMOS) characteristics useful in portable storage designs include:
- For quasi-resonant flyback topologies, optimized switching speed to facilitate EMI compliance.
- For resonant topologies, diode body optimization to improve di/dt capability, reduce Qrr, and lower driver interference.
- Optimization of gate charge (Qg) and the Coss/Ciss ratio to reduce driver losses and improve immunity to drive noise.
- Improved single-pulse avalanche energy (EAS) to enhance avalanche robustness.
For synchronous-rectifier MOSFETs (SGTMOS) used in portable storage, typical device optimizations include:
- Tuned gate charge (Qg) and threshold voltage (Vth) to enable low gate-drive voltage operation compatible with common synchronous-rectifier controllers.
- Optimized Coss and Rds(on) to reduce switching and conduction losses and lower temperature rise.
These device-level optimizations simplify MOSFET selection and implementation for portable energy storage systems.
MOSFET Selection Table for Portable Energy Storage
| Function | Topology | Product series | Part number |
|---|---|---|---|
| PV, car-charger input | Buck-boost | 80–200 V SGT MOS | LSGN10R047 |
| LSGC10R050 | |||
| LSGC10R047 | |||
| Car charger, PD output | LSGE10R042 | ||
| LSGN10R042 | |||
| LSGC10R080 | |||
| LSGN10R080 | |||
| Bi-directional DC-DC | PSFB / CLLC low-voltage side | LSGC08R036 | |
| LSGE08R036 | |||
| LSGN08R036 | |||
| Bi-directional DC-DC PSFB / CLLC high-voltage side | 600–700 V SJ MOS GF; 650 V IGBT | LSB65R041GF | |
| LSB65R070GF | |||
| LSB65R099GF | |||
| LSB65R180GF | |||
| Bi-directional DC-AC | Full-bridge inverter / bridgeless PFC | 650 V IGBT | LKB40N65TM1 |