A buck converter is a common DC-DC converter that efficiently steps a higher voltage down to a lower voltage. Efficient power conversion extends battery life, reduces heat, and enables smaller devices. This article briefly introduces buck converters, outlines the basic buck converter circuit (and its related half-bridge), and summarizes typical applications with links to additional resources for specific chips.
Introduction to Buck Converters
A buck converter is a simple circuit. Figure 1 shows the simplified schematic of a non-synchronous buck converter. A high-side MOSFET switches on and off. A controller IC (not shown) uses a closed feedback loop to regulate the output voltage. The DC transfer function relates the converter input voltage, output voltage, and duty cycle: Vout = Vin * D, where Vout is the output voltage, Vin is the input voltage, and D is the duty cycle, the percentage of time the MOSFET is on. The inductor and capacitor in Figure 1 form a low-pass filter that smooths the MOSFET switching action and produces a steady DC output.

Figure: Simplified schematic of a non-synchronous buck converter. The TPS5430 is an example of a non-synchronous buck controller.
Synchronous Buck Converters and the Half-Bridge
Figure 2 shows a common variant: the synchronous buck converter. In a synchronous buck converter, the freewheeling diode is replaced by a MOSFET. Replacing the diode with a MOSFET enables bidirectional power flow. If the converter is run in reverse it can operate as a boost converter; this requires a special converter IC. This capability is used in applications such as USB On-The-Go to allow a smartphone to power small portable devices.
The two MOSFETs in this arrangement form a half-bridge. Half-bridges are widely used circuits with many applications.

Figure: Simplified schematic of a synchronous buck converter. The LM5119 is an example of a synchronous buck controller.
Buck converters are everywhere. The remainder of this article reviews several common applications.
USB On-The-Go
USB On-The-Go allows keyboards, mice, and other peripherals to connect to a smartphone. Peripherals draw power from the phone's USB port. Power regulation is typically handled by a bidirectional synchronous buck converter capable of transferring power both ways. When a phone is connected to a charger, the converter operates as a buck to charge the phone's lithium battery. When a peripheral is connected, the converter can operate in reverse as a boost to produce 5 V from the battery. See device vendor documentation for bidirectional DC-DC converters that support USB On-The-Go.
POL Converters for PCs and Laptops
Point-of-load (POL) converters are non-isolated buck converters that efficiently deliver power to high-current loads. They are commonly used on PC and laptop motherboards. Modern microprocessors run at low voltages, often around 1.8 V. Synchronous buck converters, sometimes in multiphase configurations, provide this supply. On motherboards, the POL is typically called a voltage regulator module or VRM.
Battery Chargers
Fast charging of smartphones, tablets, or portable battery packs without excessive heating uses synchronous buck converters. Mobile device charging ports commonly accept a regulated 5 V. The charging circuit inside the device is often a buck converter. Some buck controllers include integrated battery management features.
Solar Chargers
Buck converters excel at efficiently stepping down higher voltages to charge batteries. Many products use higher-voltage solar panels to charge batteries. Solar chargers often incorporate maximum power point tracking (MPPT). Solar cells have a nonlinear current-voltage curve. Solar chargers are typically buck converters controlled by a microcontroller that adjusts load current to draw maximum power from the panel. Some buck converters include integrated MPPT and lithium battery charging features.
Power Audio Amplifiers
The power stage of class-D audio amplifiers is a synchronous buck arrangement. A major difference between DC-DC converters and class-D amplifiers is that DC-DC converters produce a regulated DC voltage at their output, while class-D amplifiers intentionally generate an AC signal. The difference is in the feedback loop. Note that the output stage is a half-bridge followed by an LC filter. Examples of class-D amplifiers illustrate this topology.

Figure: Simplified schematic of a class-D amplifier.
Pure Sine Wave Inverters
Pure sine wave inverters generate sine waves from a DC source such as a battery. Power inverters used to run household electronics from a large battery or vehicle look similar to class-D amplifiers in their inverter power stage.
Quadcopters
Buck converters are used in quadcopters. Quadcopters typically use multi-cell lithium battery packs, for example 2 to 6 cells in series, producing voltages from roughly 6 V to 25 V. Buck converters step the battery voltage down to 5 V or 3.3 V for the flight controller. In the hobby industry these buck converters are often called BECs (battery eliminator circuits) or UBECs (universal battery eliminator circuits). BECs and UBECs commonly appear on electronic speed controllers (ESCs) that drive brushless motors or on power distribution boards to route battery power where needed.
Brushless Motor Controllers
Quadcopters use brushless motors for high efficiency and low weight. Three half-bridges drive the motor windings. The simplified schematic for a brushless motor driver resembles three synchronous buck converters without output capacitors. The synchronous power stage allows power to flow from the motor back to the battery, a process known as regenerative braking used in trains and electric vehicles.

Figure: Simplified diagram of a brushless motor controller.
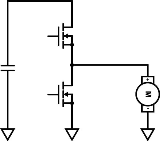
Brushed Motor Controllers
Brushed motors can be driven using a high-side motor control configuration. This arrangement is essentially a synchronous buck converter without an output capacitor.

Figure: Simplified schematic of a brushed motor controller. Note the similarity to a buck converter.
Conclusion
This article provided a brief overview of buck converters. Buck converters and their half-bridge arrangements are used in many applications, including smartphones, laptops, tablets, portable battery packs, flashlights, quadcopters, audio amplifiers, and motor control circuits. Many power audio amplifiers and motor controllers share topology and design considerations with buck converters.