Help
  • FAQ
    browse most common questions
  • Live Chat
    talk with our online service
  • Email
    contact your dedicated sales:
0

Passive Analog Filters: Two 90° Phase-Shift Networks

Author : AIVON | PCB Manufacturing & Supply Chain Specialists February 26, 2026

 

Overview

This article describes two different 90° phase-shift networks: one based on all-pass filters (APF) and one based on polyphase networks (PN). Both can achieve wideband 90° phase shift. The article also introduces design tools implemented in MATLAB and a mobile app.

 

Phase-shift Network Characteristics and Applications

90° phase-shift networks, also called polyphase networks (PN), phase-splitting networks, or all-pass networks (APF), can provide a constant phase over a certain frequency range while maintaining constant amplitude in that range.

Phase-shift networks, especially wideband designs, have long been used in audio signal processing. For example, single-sideband (SSB) transceivers require wideband 90° phase shifting. Phase-shift networks are also applied to audio feedback suppression. With the development of communications, their use has expanded to higher frequency ranges, such as IQ modulators that convert baseband signals to IQ-modulated signals, and phased-array radar.

Note that a lossless transmission line has effectively infinite bandwidth with fixed delay and can be viewed as a phase shifter whose phase varies linearly with frequency.

 

Phase vs Frequency Illustration

Below is a phase-frequency plot. The red trace shows the linear phase of a fixed-delay transmission line, while the blue trace shows the phase response of a wideband phase-shift network.

phase_vs_frequency_graph

 

Network Synthesis

Detailed synthesis theory for phase-shift networks can be found in W. Saraga's work on wideband phase-splitting networks. The synthesis uses lattice-form all-pass networks, originally applied by W. E. Thomson when deriving Bessel filters. Lattice all-pass networks are all-pass and present broadband impedance matching, so stages do not load each other; zeros and poles depend only on the local section parameters, not on cascading. This property simplifies deriving zeros and poles for lattice-based 90° phase-shift networks.

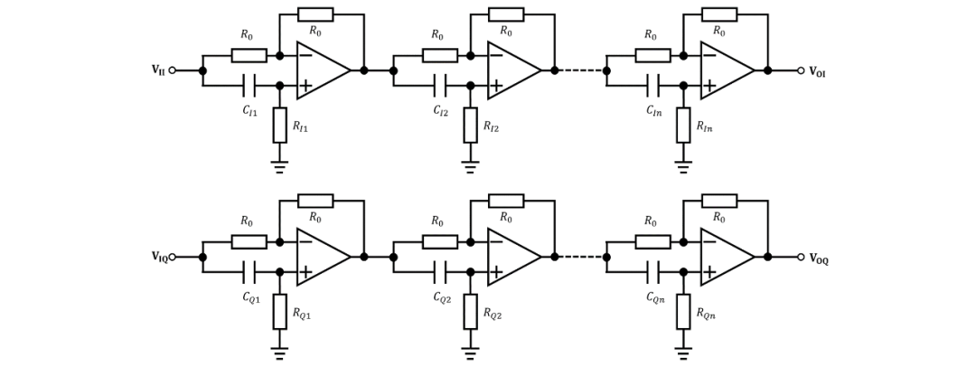
Once zeros and poles are determined, component values can be chosen freely. The same zero-pole calculations apply to active all-pass designs using op amps, because the op-amp stages isolate each other.

 

Lattice All-Pass Circuit

The lattice all-pass stage structure is shown below.

lattice_all-pass_circuit

 

Pure RC Polyphase Network

To reduce power consumption, a pure RC polyphase network was developed, likely by Gingell. This network can generate 90° phase shift, and it can also generate 3-phase 60° or 4-phase 45° or even 8-phase 22.5° shifts. The network is reciprocal between input and output, so input and output ports can be interchanged. This property is exploited in SSB transceiver receive and transmit paths.

rc_polyphase_network

 

Design Formulas

Let the number of stages be n, the input low frequency be fL, and the input high frequency be fH.

All-Pass Filter (APF)

For the basic all-pass section, the transfer function is given by the standard all-pass expression. The magnitude and phase can be derived accordingly. The phase relation can also be expressed in forms suitable for Chebyshev approximation used in wideband phase-splitting network design.

Polyphase Network (PN)

Polyphase networks can be synthesized using the wideband phase-splitting network approach. Parameters in the synthesis include the previously mentioned zeros and poles.

 

Wideband 90° Phase-Shift Network Design Software

A MATLAB app was developed to design wideband 90° phase-shift networks. Main features include:

  • Support for all-pass network (APF) and polyphase network (PN) synthesis for wideband 90° designs
  • Configurable network order from 1 to 10
  • Arbitrary frequency range configuration
  • Network analysis computations
  • Support for approximating designs with standard component values

 

MATLAB Design Example

Example: design a phase-shift network with input frequency range 20 Hz to 20 kHz and a specified phase error.

matlab_example_phase_error_gif

The final design example is shown below.

matlab_design_result

Resistors use E96 standard series and capacitors use E12 series. A five-stage op-amp topology can meet the design requirements. If designed with adjustment, in-band ripple can be made very small.

Experimentally, six stages can produce better performance:

six_stage_design_result

A pure RC polyphase network can yield even better results. The key is matching among the four resistors and four capacitors in adjacent sections, so this topology is well-suited for IC implementation:

rc_polyphase_ic_implementation

MATLAB source code for the design tool has been uploaded to GitHub as a repository for the APF design tool. The repository contains the app and supporting code.

 

Mobile App Example

The functionality in the MATLAB app has been largely ported to a mobile app. Features include:

  • APF and PN synthesis for wideband 90° designs
  • Configurable network order from 1 to 10
  • Arbitrary frequency configuration
  • Network analysis computations
  • Support for approximating designs with standard components

Using the same example (20 Hz to 20 kHz, specified phase error), the mobile app can generate component values and simulation parameters. Click the schematic to generate component parameters and click the phase waveform to view simulation settings.

 

References

  • [1] All-Pass Network Synthesis, R. Crane
  • [2] Phase-Shift Network Analysis and Optimization, Kevin Schmidt, 1998 (translated)
  • [3] The Design of Wide-Band Phase Splitting Networks, W. Saraga
  • [4] Understanding and Designing Sequence Asymmetric Polyphase Networks, W. J. Niessen, 2006
  • [5] US 3,559,042, Polypase Symmetrical Network (patent)
  • [6] AN1981 New Low-Power Single Sideband Circuits, Robert J. Zavrell Jr., 1997
  • [7] MATLAB source code, APF network design software (GitHub repository)
AIVON | PCB Manufacturing & Supply Chain Specialists AIVON | PCB Manufacturing & Supply Chain Specialists

The AIVON Engineering and Operations Team consists of experienced engineers and specialists in PCB manufacturing and supply chain management. They review content related to PCB ordering processes, cost control, lead time planning, and production workflows. Based on real project experience, the team provides practical insights to help customers optimize manufacturing decisions and navigate the full PCB production lifecycle efficiently.

Related Tags


2026 AIVON.COM All Rights Reserved
Intellectual Property Rights | Terms of Service | Privacy Policy | Refund Policy