Self-Calibration and Internal Calibration in Precision ADCs
Overview of ADC self-calibration mechanisms, detailing internal offset and gain compensation methods, implementation differences, and their impact on measurement accuracy.
Analog Technology forms the backbone of countless electronic systems, bridging the gap between the physical world and digital processing. In this category, we delve into the principles and applications of analog circuits, signals, and components that enable precise control and manipulation of continuous variables. From amplifiers and filters to oscillators and sensors, these elements remain essential in modern electronics, even as digital technologies advance. Understanding analog technology equips engineers and hobbyists with the tools to design robust systems that handle real-time data with accuracy and efficiency. Our collection of articles offers comprehensive guides on foundational concepts, such as signal integrity and noise reduction, alongside advanced tutorials on circuit simulation and optimization. Readers will find practical insights into selecting components for high-performance analog designs, including best practices for PCB layout to minimize interference and ensure reliability. Whether you are troubleshooting a voltage regulator or integrating analog interfaces in IoT devices, these resources provide actionable strategies drawn from industry expertise. The real-world relevance of analog technology shines in applications like audio processing, medical instrumentation, and automotive systems, where precision and responsiveness are critical. By examining case studies and innovative approaches within this category, you can enhance your skills in creating efficient, cost-effective solutions. Articles here also address emerging trends, such as hybrid analog-digital systems, helping you stay ahead in evolving fields like renewable energy and telecommunications. Engaging with these topics fosters a deeper appreciation for how analog principles drive technological innovation, making it worthwhile to review multiple pieces for a well-rounded perspective.
Overview of ADC self-calibration mechanisms, detailing internal offset and gain compensation methods, implementation differences, and their impact on measurement accuracy.
Explains ADC offset and gain error, transfer function modeling, measurement methods, and datasheet sign-convention inconsistencies for instrumentation ADCs.
Explains common-mode noise in single-ended circuits and how differential pairs with a tail current reject interference, define common-mode level, and set output limits.
Overview of on-chip capacitor types (MOS, MOM, MIM) and their effects on ESD behavior, including parallel/series capacitor impact and design trade-offs.
Schematic-driven analog IC layout automation for balanced MOSFET differential pairs with common-centroid placement and parasitic-aware routing in Virtuoso.
Analysis of analog design challenges and strategies for sub-7nm processes, covering low supply voltage, transconductance, Vth, and high-speed mixed-signal interfaces.
MOSFET heating in an MP3910 flyback POE design traced to an incorrect gate resistor value; slow gate rise forced linear operation—replacing Rg restored proper switching.
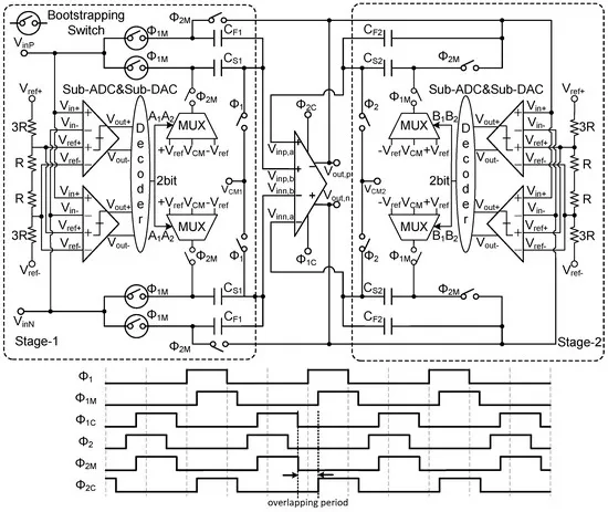
SHA-less pipelined ADC architecture analysis: MDAC and comparator sampling, timing details, aperture-error causes, RC matching and two-segment sampling mitigation to improve speed.
Technical overview of silicon carbide (SiC) as a wide-bandgap semiconductor: properties, device advantages and drawbacks, market trends and China industry landscape.
Technical guide on differential signaling and PCB differential-pair design: coupling, matched lengths, controlled impedance, and return-path strategies for low EMI.
Analysis of charge-pumped input stages and their impact on THD in op amps driving SAR/DS ADCs for system-level distortion budgets.
Five-step guide to transformer-coupled ADC front end design: define requirements, establish baseline performance, select transformer and passive matching, finalize tuning